随着爆火产品Chia的出现,挖矿行业又有了更新颖亲民的玩法,即低门槛的硬盘挖矿方式,这种挖矿方式让越来越多的普通人能够参与到挖矿中来,一起感受区块链行业的热潮。
根据Chia的白皮书介绍,Chia采用的共识机制是空间证明(POS, Proof Of Space)和时间证明(POT, Proof Of Time)。POS主要用来证明用户的确有未使用空间可以用来存储,而POT则用来保证整个系统的安全性,其主要算法是VDF 可验证延迟函数(Verifiable Delay Function),VDF得出的运算结果必须经历一定的时间,并且可以由网络中的任何节点快速认证,增加POS获得出块权的概率。
Verifiable:即经过一定次数的计算后,prover可以快速生成一个小的proof来证明计算有效性,verifier不用重复执行计算就可以得知计算的正确性;
Ava Labs增长与战略副总裁Garrison Yang确认出席ChinaJoy Web3大会2023:据官方消息,Ava Labs增长与战略副总裁Garrison Yang已确认出席首届ChinaJoy Web3大会。作为全球最具知名度与影响力的数字娱乐年度盛会之一,第二十届ChinaJoy将于2023年7月28日至7月31日在上海新国际博览中心举办。今年ChinaJoy活动期间,将于 7 月 29 日在上海浦东嘉里酒店召开首届ChinaJoy Web3大会,会议聚焦探索新环境下的 Web3 技术高质量发展之路,并探讨和展示 Web3 技术赋能数字经济行业的创新成果。
本届ChinaJoy Web3大会由汉威信恒、新火科技与D11 Labs联合主办,中国音像与数字出版协会作为指导单位,亚马逊云科技(AWS)、Ava Labs等全球战略合作伙伴共建参与,大会以“创变数字经济新时代”为主题。[2023/7/11 10:48:15]
Delay:即prover只有执行正确次数的计算后,才能得到正确的结果,不会出现没达到指定次数前,就得到正确结果的情况;
Chia全网有效算力31.23EiB,挖矿产出2,894,125枚:金色财经报道,据chiaexplorer数据显示,2022年1月31日,Chia当前全网有效算力为31.23EiB,目前XCH总量23,894,125枚,挖矿产出2,894,125枚。当前每天每TiB算力可产出0.0003个XCH,1TiB算力挖出1枚XCH需要花费约9年322天。行情显示,当前XCH报价为72.18美元,日内跌幅3.14%。[2022/1/31 9:24:13]
Function:即结果是确定性的,输入x,就会得到y。

Chia全网有效算力31.21EiB 挖矿产出1238544枚:金色财经报道,据chiaexplorer数据显示,2021年7月25日,Chia当前全网有效算力为31.21EiB,目前XCH总量22,238,544枚,挖矿产出1,238,544枚。当前每天每TiB算力可产出0.0003个XCH,1TiB算力挖出1枚XCH需要花费约9年297天。行情显示,当前XCH报价为180.36美元,日内跌幅0.44%。[2021/7/25 1:14:12]
Figure 1 POT
VDF的计算
基于Chia的设计模式,如果某个节点的VDF计算速度高于其他节点,有可能会发起某种安全攻击。因此,为了避免这一威胁,Chia希望节点中运行的VDF算法是最高效的,所以基本没有什么优化空间。为此,Chia还举办了两次VDF效率竞赛,以高额的奖励来吸引业内精英参与到本次活动中来,广泛汲取大家的智慧,来获取效率最高的VDF。
Chia全网有效算力29.99EiB 挖矿产出达1,192,248枚:金色财经报道,据chiaexplorer数据显示,2021年7月20日,Chia当前全网有效算力为29.99EiB,目前XCH总量22,192,248枚,挖矿产出1,192,248枚。当前每天每TiB算力可产出0.0003个XCH,1TiB算力挖出1枚XCH需要花费约9年174天。行情显示,当前XCH报价为205.36美元,日内涨幅3.39%。[2021/7/20 1:04:04]
如上图所示,Chia里用到的VDF算法其实很简单,就是对一个数x进行连续的T次平方计算,x是一个未知阶的群组(a group of unknown order)的元素。为什么是未知阶的群组,其中缘由也很简单:
如果群组的阶为d,那么根据群组的性质:x2^T = x(2^T) % d

就会存在未达到指定次数T,就得到正确结果,这与Chia的设计不一致;因此,群组的阶是无法被知道的;生成未知阶的群组的方式有两种:
基于RSA的群;
虚二次域类群;
当选择基于RSA的方式时,群的阶N=pq,其中p、q都是很大的素数且不可公开,因此,计算这种群的阶的难度就和分解大数N一样困难。所以被认为是安全的,但是,这种方式需要可信设置,即p、q由可信第三方生成,或许也可以用MPC的方式,但是总之,它需要可信设置;
而基于虚二次域的类群可以消除可信设置,因为一个满足|d|=3 mod 4关系的负大素数生成的类群,计算其阶是困难的(为什么困难,将在另外一篇文章里详细阐述,涉及数学概念较多,将尽量写的简明易懂些),由于这个大素数可以公开,因此这种方式可以很容易的生成无须可信设置的未知阶的群。
了解了背后的数学概念,下面让我们再看一下,基于虚二次域类群的元素的平方应该如何计算,如下图所示(算法参考NUDUPL论文):

Figure 2 if a < L

Figure 3 if a > L
NUDUPL算法为目前为止,计算虚二次域平方的最有效的方法,这也是在两次VDF算法竞赛中,参赛者们选用最多的方法。图2、图3展示了算法的两个主要分支,其中m = (a,b,c)、M = (A,B,C)都是群中元素的表示形式。
VDF的证明
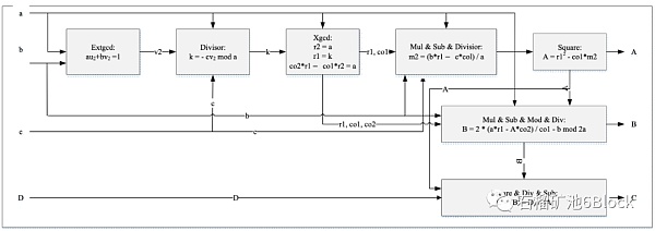
由图1可知,prover除了需要做T次计算外,还需要生成一个证明,来证明计算的正确性,关于VDF的正确性论证,这篇论文中给出了两个经典的方法,Chia采用的是Wesolowski的论证方法,此方法的过程如下图所示:

算法本身简单,且好理解。和论文中的Pietrzak算法相比,该算法生成证明更小,验证proof更快。
结 语
经过一段时间的研究和测试,Chia目前采用的VDF算法确实相当高效,从算法上,已经寻找不出可以大幅优化的点。“软的不行就来硬的”,这也是为什么我们仍然坚持把Chia的VDF算法研究的很深入的一个原因,目前已经着手硬件优化设计。从理论上讲,具有更高效率的VDF计算,可以获得更高的挖矿效率,这也是我们的目标。
标签:CHIXCHPROTIBchin币价格Masternode Hype Coin ExchangeProphecyTIB价格
学习最基本的ZZ常识,对投资大有好处1、监管的最高,最根本目的是维持社会稳定,也就是【稳定压倒一切】,只要社会不乱,大家都在干活,赚多赚少,亏多亏少,都只是暂时的.
1900/1/1 0:00:00最近,以太坊layer1挑战者、layer2的 DeFi的兴起,玩家们对频频使用的“跨链桥”肯定不陌生,当我们使用CEX把加密资产中转一下(比如把以太坊链上的资产转到币安交易所.
1900/1/1 0:00:00高盛认为,考虑到真实用途、用户基数、技术迭代速度等多方因素,以太坊很有可能取代比特币成为主流的加密货币.
1900/1/1 0:00:00这一周,遭到闪电贷攻击的 DeFi 协议的币价,就像 5 月的天气--说崩就崩。在眼下,频繁的闪电贷攻击再次上演,一周接连几个协议的代币价格险些归零,涉及到的损失金额数百上千万,DeFi 协议开.
1900/1/1 0:00:002020年12月23日,波卡联合创始人 Robert?在PolkaWorld官方发文宣布,波卡专用的平行链测试网 Rococo V1 已经启动并运行.
1900/1/1 0:00:00近日,马斯克一改此前支持比特币的态度,先是在推特上称比特币耗能过高,使用过多不可再生能源且造成恶略环境影响,因此特斯拉停止比特币作为支付手段.
1900/1/1 0:00:00